Onderdelen Elektrisch Zitmaaier R112C 2021 tot heden










Husqvarna Onderdelen voor Zitmaaier R112C 2021 tot heden.
Specifiek voor elektrisch onderdelen.
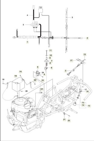
1, Bekabeling Compleet 587360202
2 Bekabeling 580355001
3 Bekabeling 574269601
4 Kabel 574269801
5 Rider starter Relais 544439801
6 Anti start schakelaar 506909601
7 Veerring 506909701
8 Veer 544441201
9 Afstand buis 506909902
10 Ring 734116401
11 Schroef 725246051
12 Ontsteking schakelaar 544442101
13 Micro Schakelaar 544415901
14 Moer 544442301
15 Ontsteking Sleutel 544442401
16 Schakelaar 574316101
17 Klinknagel 544440701
18 Accu 574397201
19 Schroef m6 x 20 725236461
20 Moer 522624301
21 Kabelklem 575269901 ( tijdelijk niet leverbaar)
22 Klinknagel 722795402
23 Schroef 725236461
24 Moer 506899801
Voor al u vragen kunt u contact opnemen met de klantenservices.
Productspecificaties
- Artikelnummer
- 587360202
- EAN
- 7333377394643























